مقالات

مقالات
تازه‌ترین‌ها در مقالات
موتور تکفاز
 ۱۸ آذر ۱۳۹۸
 گروه تحقیق و توسعه تالی الکتریک

موتور تکفاز

موتورهای  تک فاز بسیار متنوع هستند و  بنابر ویژگی های خود در موارد مختلف کاربرد دارند. عامل ایجاد چرخش در موتورهای القایی سه فاز، ایجاد میدان دوار در داخل استاتور می باشد. در صورتی که با عبور جریان AC تک فاز از یک سیم پیچ میدان ضربانی ایجاد می شود. در واقع چگونگی القای ولتاژ در هادی های رتور و چرخش آن در موتورهای سه فاز و تک فاز شبیه یکدیگر است از این رو به دلیل سادگی ساختمان موتورهای القایی تک فاز، رتور همهٔ آنها را از نوع ...  ادامه مطلب 
انواع تابلو برق صنعتی
 ۱۸ آذر ۱۳۹۸
 گروه تحقیق و توسعه تالی الکتریک

انواع تابلو برق صنعتی

تابلو برق: تابلو برق یک محفظه برای نصب و سیم بندی تجهیزات الکتریکی یا الکترونیکی است که کلیدها و قطعات کنترلی و حفاظتی و لوازم نمایشگر (ولتاژ، جریان، فرکانس، توان، کسینوس فی و ...) روی آن نصب می‌شوند. همچنین تابلوهای برق جهت جلوگیری از وارد شدن شوک الکتریکی به کاربرانِ تجهیزات و حفاظت تجهیزات در برابر عوامل محیطی استفاده می‌شوند. انواع تابلوها: تابلوهای برق از نظر ولتاژ به دو دسته LV و MV تقسیم می‌شوند. ...  ادامه مطلب 
لوله ارت (میله ارت)
 ۱۸ آذر ۱۳۹۸
 گروه تحقیق و توسعه تالی الکتریک

لوله ارت (میله ارت)

لوله ارت فولاد گالوانیزه و لوله های سوراخ دار به منظور لوله ارت استفاده می شود و به صورت عمودی در خاک مرطوب در زمین قرار می گیرد. اندازه لوله بستگی به نوع خاک دارد. لوله معمولا دارای قطر (۴۰mm (1.5in و طول (۲.۷۵m (9ft می باشد. بیشتر در خاک عادی یا خاک خشک و سنگی استفاده می شود. رطوبت خاک در تعیین طول لوله تاثیر دارد اما معمولا باید  (۴.۷۵m (15.5ft باشد.                        توصیه های ...  ادامه مطلب 
چرا سیم نول برق دارد؟
 ۱۸ آذر ۱۳۹۸
 گروه تحقیق و توسعه تالی الکتریک

چرا سیم نول برق دارد؟

شاید تاکنون هنگام تست سیم های یک پریز با فازمتر به این مشکل مواجه شده اید که هر دو سیم پریز( فاز و نول) برق دار هستند، درواقع هنگام بروز این مشکل پریز دو فاز نشده و  این مورد ناشی از قطع بودن سیم نول و یا مسیر نول می باشد. برای رفع این اشکال باید به ترتیب موارد زیر را انجام داد: 1- تمام وسایل برقی منزل را از برق بکشید. 2- به سراغ کنتور رفته و سیم نول اصلی را از سیستم سیم کشی منزل جدا می کنیم به طوری که سیم نول تنها باشد. 3- ...  ادامه مطلب 
انواع یو پی اس - UPS
 ۱۸ آذر ۱۳۹۸
 گروه تحقیق و توسعه تالی الکتریک

انواع یو پی اس - UPS

یو پی اس  (منبع تغذیه اضطراری) دستگاهی است که اجازه می دهد تا یک کامپیوتر در حال کار برای حداقل یک زمان کوتاه، زمانی که منبع اصلی برق در دسترس نیست به کار خود ادامه دهد و همچنین می تواند به عنوان یک محافظ جریان های قوی و صاعقه باشد. بطور کلی سه نوع دسته بندی برای UPS  ها  وجود دارد که عبارتند از: offline -1 line interactive -2 3- online 1-  یوپی اسoffline: این نوع تکنولوژی هنگامی که برق شهر قطع می گردد به عنوان منبع جایگزین وارد سیستم ...  ادامه مطلب 
خشک سازی ترانسفورماتور
 ۱۸ آذر ۱۳۹۸
 گروه تحقیق و توسعه تالی الکتریک

خشک سازی ترانسفورماتور

یکی از فعالیت های حساس و بحرانی در تعمیر ترانسفورماتورهای بزرگ پروسه خشک کردن آنها می باشد . این موضوع کاملاً روشن است که بدلیل قرارداشتن عایق سلولزی یا کاغذی در معرض رطوبت هوا برای مدت طولانی (روزها و ماهها) خواص دی الکتریک آن کاهش می یابد . در زمان کار عادی ، رطوبت موجب افزایش تلفات دی الکتریک و آزاد نمودن گاز بصورت حباب و درنتیجه آن موجب بروز فعالیت تخلیه جزئی (Discharge  Partial) خطرناک می گردد. مقدار رطوبت روغن باید کم ...  ادامه مطلب 
زمین کردن ترانسفورماتورهای توزیع با دو ارت جدا
 ۱۰ آذر ۱۳۹۸
 گروه تحقیق و توسعه تالی الکتریک

زمین کردن ترانسفورماتورهای توزیع با دو ارت جدا

برای زمین کردن ترانسفورماتور های توزیع باید از دو ارت جداگانه استفاده نمود.این دو ارت که توسط دو چاه ارت با فاصله (معمولاً حداقل ۱۰ متر) از هم احداث می شوند مربوط به فشار متوسط (MV) و فشار ضعیف(LV) ترانسفورماتور هستند.  ارت فشار متوسط به برقگیرها و بدنه ترانسفورماتور متصل می شود. با توجه به این که اتصال برقگیرها ستاره بوده و در سمت MV ترانسفورماتور وصل می شوند، این ارت، ارت  حفاظتی  نامیده ...  ادامه مطلب 
ترانس ایزوله و کاربردهای آن
 ۱۰ آذر ۱۳۹۸
 گروه تحقیق و توسعه تالی الکتریک

ترانس ایزوله و کاربردهای آن

یکی از روشهای کاهش خطر برق گرفتگی خصوصا  در خانه ها استفاده از سیستم حفاظت با ترانسفورماتور جدا کننده یا ترانس ایزوله می باشد. برای جلوگیری از انتقال ولتاژ بالای AC و کاهش اثرات ناشی از صاعقه و حفاظت از اتصال غیر عمد افراد با یکی از سیم ها و یا اتصال کوتاه داخلی بین یکی از سیم ها و بدنه دستگاه ها ناشی از رطوبت یا عوامل فیزیکی از ترانس ایزوله استفاده می شود. با توجه به اهمیت ایزولاسیون برق در بیمارستانها و NICU,CCU و ICU ...  ادامه مطلب 
مبدل باک
 ۱۰ آذر ۱۳۹۸
 گروه تحقیق و توسعه تالی الکتریک

مبدل باک

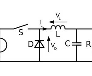
مبدل باک نوعی مبدل DC-DC کاهنده بوده که مقدار متوسط ولتاژ خروجی کمتر از ولتاژ ورودی است. از این مبدل برای کنترل سرعت موتورهای DC استفاده می‌شود. از آنجا که اساس کار این مبدل‌های سوئیچینگ (کلیدزنی) است، ولتاژ خروجی دارای هارمونیک خواهد بود که برای برطرف کردن این مشکل از یک فیلتر پایین‌گذر متشکل از سلف و خازن استفاده می‌گردد. همچنین با استفاده از یک دیود، جریان را برای بارهای سلفی یکسان می‌سازند. این دو شکل نیز تنظیمات مدار ...  ادامه مطلب 
تفاوت منبع تغذیه سوئیچینگ و خطی
 ۰۳ آذر ۱۳۹۸
 گروه تحقیق و توسعه تالی الکتریک

تفاوت منبع تغذیه سوئیچینگ و خطی

تفاوت منبع تغذیه سوئیچینگ  و خطی این است که یک منبع خطی با تلف کردن توان، خروجی را رگوله یا یکسو می کند ولی در روش سوئیچینگ با تغییر میزان دوره سیکل سوئیچ، ولتاژ و جریان خروجی کنترل می شود. در طراحی منبع تغذیه سوئیچینگ اگر ورودی اصلی ولتاژ متناوب باشد، ابتدا از یک طبقه یکسوکننده عبور کرده و یک ولتاژ مستقیم رگوله نشده ایجاد می شود. این ولتاژ مستقیم به خازنهای فیلترینگ بزرگ متصل می شود. جریان کشیده شده توسط ...  ادامه مطلب 
کلید محافظ نشتی جریان ( یا کلید محافظ جان )
 ۰۳ آذر ۱۳۹۸
 گروه تحقیق و توسعه تالی الکتریک

کلید محافظ نشتی جریان ( یا کلید محافظ جان )

کلید محافظ نشتی جریان ( یا کلید محافظ جان ) Residual Current Circuit Breaker یا اختصارا RCCB در هنگام وقوع جریان نشتی در سیستم های الکتریکی خانگی یا صنعتی باعث قطع جریان برق می شود و از بروز خطرات احتمالی جلوگیری می کند. می توان گفت که یکی از مهمترین عوامل اصلی در بروز خسارات مالی ، صدمات و تلفات جانی به ویژه در منازل مسکونی ، مراکز اداری ، تجاری و مجتمع های صنعتی عدم رعایت مسائل ایمنی در استفاده از انرژی برق می باشد ...  ادامه مطلب 
تیپ های مختلف کلیدهای مینیاتوری
 ۰۳ آذر ۱۳۹۸
 گروه تحقیق و توسعه تالی الکتریک

تیپ های مختلف کلیدهای مینیاتوری

تیپ های مختلف کلیدهای مینیاتوری  از نظر کاربرد به تیپهای B روشنایی ، C موتوری ، D ترانسفورماتوری ، K قدرت ، Z بسیار حساس تقسیم بندی می گردد: کلید مینیاتوری نوع B روشنایی: عموما در مصارف خانگی و روشنایی کاربرد دارند. این کلیدها در جریان اضافه بار بین ۳ تا ۵ برابر جریان نامی در زمان مشخص ، مدار را قطع می کنند و حساسیت مناسبی برای کاربردهای عادی خانگی دارند. این کلید به مینیاتوری تندکار نیز معروف است.     ...  ادامه مطلب 
نحوه عملکرد کلید RCD یا FI
 ۰۳ آذر ۱۳۹۸
 گروه تحقیق و توسعه تالی الکتریک

نحوه عملکرد کلید RCD یا FI

دستگاه تشخیص جریان نشتی ( RCD (Residual Current Device  که به کلید  FI نیز معروف است ، نوعی کلید است که با مقایسهٔ جریان سیم‌های رفت و برگشت، در صورتی که اختلافی بین جریان رفت و برگشت وجود داشته باشد مدار را قطع می‌کند. در این وسیله یک هسته مغناطیسی همه هادی های حامل جریان را در بر می گیرد. در این حالت شار مغناطیسی که در هسته بوجود می¬آید به جمع برداری جریان های عبوری از هادی ها  بستگی دارد . اگر جریان عبوری I1 را مثبت در ...  ادامه مطلب 
راه اندازی تک ضرب الکترو پمپ
 ۰۳ آذر ۱۳۹۸
 گروه تحقیق و توسعه تالی الکتریک

راه اندازی تک ضرب الکترو پمپ

در طراحی تابلو برق ما به روشهای مختلف می توانیم قطعات لازم را انتخاب کنیم. تابلوهای راه اندازی الکتروموتور ها و الکترو پمپ ها را به سه دسته تقسیم می کنیم: 1- راه اندازی تک ضرب  2- راه اندازی دو ضرب (ستاره – مثلث)  3- راه اندازی نرم (کنترل دور)                    ۱ـ راه اندازی تک ضرب متداول ترین نوع راه اندازی است و برای الکتروموتورهای تکفاز و سه فاز با توان ...  ادامه مطلب 
تشخیص مقدار مقاومت از روی رنگ
 ۰۳ آذر ۱۳۹۸
 گروه تحقیق و توسعه تالی الکتریک

تشخیص مقدار مقاومت از روی رنگ

یک مقاومت ایده‌ال، عنصری است با یک مقاومت الکتریکی که صرفنظر از ولتاژ اعمالی به دو سرش یا جریان الکتریکی عبوری از آن ، ثابت می‌ماند. اما بدلیل اینکه مقاومتهای جهان واقعی نمی‌توانند این شرایط ایده‌ال را برآورده سازند، آنها را به گونه‌ای طراحی می‌کنند که در برابر تغییرات دما و دیگر عوامل محیطی ، نوسانات کمی در مقاومت الکتریکی شان ایجاد شود. مقاومت ها ممکن است که ثابت یا متغیر باشند. مقاومت های ...  ادامه مطلب 
تایمر راه پله
 ۰۳ آذر ۱۳۹۸
 گروه تحقیق و توسعه تالی الکتریک

تایمر راه پله

تایمر راه پله همان گونه که از اسم مدار پیداست،  جهت استفاده در در راه پله ها و پارکینگ ها به کار می رود. طریقه کارکرد این دستگاه این گونه است که در مدت زمان معینی به صورت خودکار،  روشنایی های کل راه پله را خاموش می کند، به اینصورت که هنگامی که شاسی (کلید) فشرده می شود ( این کلیدها دارای فنری هستند که پس از فشرده شدن دوباره به حالت اول باز می گردد) ، تمام لامپ های راه پله روشن می شوند و پس از زمانی که قبلا توسط ما تنظیم شده است ...  ادامه مطلب 
رله بوخهلتس چیست؟
 ۰۳ آذر ۱۳۹۸
 گروه تحقیق و توسعه تالی الکتریک

رله بوخهلتس چیست؟

تجهیزات الکتریکی که داخل آنها پر از روغن است نظیر ترانسفورماتورها ،بوشینگهای آنها و ترمینال باکس مربوط به کابلها را می توان جهت محافظت از عیوب داخلی و از دست رفتن روغن آنها ، با رله بوخهلتس حفاظت کرد . این رله که درلوله رابط بین تانک و منبع ذخیره نصب می شود از دو گوی شناور که در داخل محفظه رله نصب شده اند و می توانند همراه با سطح روغن جابجا شوند ، تشکیل شده است . دو عددکلید جیوه ای نیز با شناور همراه هستند و می توانند ...  ادامه مطلب 
سکسیونر و بریکر
 ۰۳ آذر ۱۳۹۸
 گروه تحقیق و توسعه تالی الکتریک

سکسیونر و بریکر

سکسیونر  و بریکر از تجهیزات مهم  پست ها می باشد و سکسیونر جهت ایزوله کردن خطا به کار می رود. به زبان ساده اگر یک مدار خانگی را بخواهیم با یک مدار قدرت مقایسه کنیم سکسیونر مانند کلید روشن و خاموش چراغ است لیکن کلید قدرت مانند کلید مینیاتوری است. یعنی سکسیونر فقط می تواند قطع و وصل مدار را انجام دهد لیکن کلید قدرت یا بریکر در صورت اتصالی در مدار می تواند مدار را قطع کند. سکسیونر قابل قطع زیر بار در حالت عادی می تواند  ...  ادامه مطلب 
کوچکترین شارژر دنیا
 ۰۳ آذر ۱۳۹۸
 گروه تحقیق و توسعه تالی الکتریک

کوچکترین شارژر دنیا

یک شارژر مربع شکل در ابعاد 17 در 17 در 48 میلی متر و وزن 10 گرم با نام نیپر به عنوان کوچک ترین شارژر دنیا شناخته شد. این شارژر پلی کربنات و سیلیکونی بقدری کوچک است که می تواند دورن دسته کلید شما کنار بقیه کلیدها جا شود. استفاده از این شارژر نیاز به باتری قلمی دارد. سوکت مایکرو USB استفاده ای این شارژر را برای گوشی هایی با این ورودی امکان پذیر خواهد کرد. تا کنون گوشی های سامسونگف اچ تی سی و سونی پاسخگوی 20 درصدی شارژ بریا اسمارت ...  ادامه مطلب 
تفاوت ارتینگ و گراندینگ
 ۰۳ آذر ۱۳۹۸
 گروه تحقیق و توسعه تالی الکتریک

تفاوت ارتینگ و گراندینگ

ارتینگ، اتصال مستقیم و فیزیکی به زمین (کره زمین) به عنوان یک رسانای بسیار بزرگ  است در حالی که در گراندینگ، اتصال فیزیکی به خود زمین مطرح نیست . به لحاظ لغت شناسی،  گرانیدنگ اصطلاحی است که بیشتر در آمریکای شمالی و استاندارد IEEE مصطلح است در حالی که واژه ارتینگ در سایر مناطق جهان استفاده می شود.به لحاظ تکنیکی، همانطور که در کتاب سبز IEEE بحث شده است، وقتی صحبت از ارتینگ می شود، اتصال مستقیم و فیزیکی به زمین (کره ...  ادامه مطلب 
سوکت پنجره ای برای تولید انرژی خورشیدی
 ۰۳ آذر ۱۳۹۸
 گروه تحقیق و توسعه تالی الکتریک

سوکت پنجره ای برای تولید انرژی خورشیدی

تولید انرژی الکتریسیته بوسیله سوخت های فسیلی روشی قدیمی گشته است. انرژی خورشیدی انرژی آینده است. با آه وکیاهو سانگ مفهوم سوکت پنجره ای را طراحی نموده اند. آنچه بواقع یک شارژر خورشیدی کوچک است که می تواند به شیشه پنجره متصل شود. پنل شیشه ای در نور خورشید قرار می گیرد و می تواند 1000mAh یک باطری را شارژ نماید. یک خروجی الکتریکی در پیشنه هر وسیله همچون یک گوشی یا هر گجت کوچک وجود دارد که به پریز متصل می شود و ...  ادامه مطلب 
توربین کوچک با قابلیت بزرگ
 ۰۳ آذر ۱۳۹۸
 گروه تحقیق و توسعه تالی الکتریک

توربین کوچک با قابلیت بزرگ

توربین  کوچک با قابلیت بزرگ، توربینی است که توانایی تولید برق برای یک شهر کوچک را دارد ولی اندازه آن بزرگ تر از یک میز کار نیست. در این توربین برخلاف توربین های معمول که از بخار استفاده می کنند، از دی اکسید کربن استفاده می شود.این دستگاه کوچک امکان انجام کارهای شگفت انگیزی  می دهد. دنیا در جستجوی راه هایی پاک تر و مقرون به صرفه تر برای تولید برق است. این توربین با دی اکسید کربن فوق بحرانی کار می کند که در فشار ...  ادامه مطلب 
نحوه نصب سرج ارستر
 ۲۲ آبان ۱۳۹۸
 گروه تحقیق و توسعه تالی الکتریک

نحوه نصب سرج ارستر

سرج ارستر  در شبکه های الکتریکی برای حفاظت تجهیزات در مقابل صدمات ناشی از اضافه ولتاژهای ناگهانی هم چون صاعقه و رعد و برق به کار برده می شود. سرج ارسترها ، بسته به نوع کاربردشان می توانند به صورت سری یا موازی در مدار قرار گیرند. نحوه قرار گیری سرج ارستر به این صورت می باشد که همیشه بعد از کلید اصلی و قبل از کلید محافظ جان (RCD) ، از طریق پایه بر روی ریل  تابلوهای برق قرار می گیرد. اکثر سرج ارسترهای تولید شده توسط شرکت ...  ادامه مطلب 
دیود تونلی ( tunnel diode )
 ۲۲ آبان ۱۳۹۸
 گروه تحقیق و توسعه تالی الکتریک

دیود تونلی ( tunnel diode )

دیود تونلی یک نوع دیود است که قابلیت عملکرد بسیار سریع در حد فرکانس‌های ریزموج را داراست. این دیود بر پایهٔ اثر تونل‌ زنی کوانتومی در مکانیک کوانتومی کار می‌کند. دیود تونلی از دو قطعه نیمه هادی نوع PوN که غالباً از جنس ژرمانیم و گالیم آرسنید می باشد ساخته شده است و دارای یک ناحیه مقاومت منفی می باشد. میزان ناخالصی در دیود تونلی، نسبت به دیود معمولی بسیار زیاد است (حدود چند هزار برابر) که این خود باعث به وجود آمدن ...  ادامه مطلب 
پست های برق سیار
 ۱۹ آبان ۱۳۹۸
 گروه تحقیق و توسعه تالی الکتریک

پست های برق سیار

پست های برق سیار(mobile substations)  عمدتاً تجهیزات سوئیچیگیر آنها از نوع GIS  بوده و به همراه ترانسفور ماتور مربوط روی یک یا چند تریلی نصب گردیده و به سهولت قابل انتقال از یک محل به محل دیگری می باشد . این پستها عمدتاً از یک فیدر فشار قوی یک ترانسفور ماتور و یک فیدر فشار ضعیف تشکیل شده و ظرفیت آنها در مقایسه با پستهای دائم کم بوده و با اتصال   T -  OFF می توانند.به یک خط انتقال فشار قوی متصل گردند و به طور موقت مشکل تبدیل قدرت ...  ادامه مطلب 
باس داکت ( BusDuct ) چیست؟
 ۱۹ آبان ۱۳۹۸
 گروه تحقیق و توسعه تالی الکتریک

باس داکت ( BusDuct ) چیست؟

"باسداکت" همانطوری که از نام آن پیداست از دو قسمت اصلی "باس"(Bus) و "داکت"(Duct) تشکیل می شود. "باس" همان شینه مسی یا آلومینیومی هادی جریان برق است که وظیفه انتقال برق را برعهده دارد و "داکت" نیز کانال پیش ساخته الکتریکی است که باسهای انرژی درون آن قرار می گیرند. نامهای دیگر باسداکت، "باسبار ترانکینگ" (Busbar Trunking) و "باس وی" (Busway) هستند که معناهای مشابهی دارند. "ترانکینگ" به معنای کانال پیش ...  ادامه مطلب 
ساختار داخلی ترانس روغنی
 ۱۹ آبان ۱۳۹۸
 گروه تحقیق و توسعه تالی الکتریک

ساختار داخلی ترانس روغنی

ساختمان ترانسهای قدرت روغنی : قسمتهای اصلی در ساختمان ترانسفورماتورهای قدرت روغنی عبارتند از: 1- هسته یک مدار مغناطیسی 2- سیم پیچ های اولیه و ثانویه 3- ­تانک اصلی روغن به جز موارد فوق اجزا دیگری نیز به منظور اندازه گیری وحفاظت به شرح زیر وجوددارند : ۱ ­کنسرواتوریا منبع انبساط روغن ۲ ­ تپ چنجر ۳ ­ ترمومترها 4- ­نشان دهنده های سطح روغن 5- رله بوخهلتز 6- سوپاپ اطمینان یا لوله انفجاری / شیر فشار شکن 7- ...  ادامه مطلب 
رله حالت جامد ( SSR ) چیست و چگونه کار می کند؟
 ۱۹ آبان ۱۳۹۸
 گروه تحقیق و توسعه تالی الکتریک

رله حالت جامد ( SSR ) چیست و چگونه کار می کند؟

رله حالت جامد (SSR) یک المان سوئیچینگ الکترونیکی است که در آن با یک سیگنال کنترلی می توان جریان یا ولتاژ بزرگتر را کنترل کرد. عملکرد SSR شبیه رله های الکترومکانیکی می باشد با این تفاوت که در این المان هیچ قسمت متحرکی وجود نداشته و نسبت به آن دارای ابعاد کوچکتری می باشد.عدم قسمت متحرک در SSR موجب افزایش عمر قطعه شده و در مداراتی که تعداد دفعات کلید زدن زیاد می‌باشد کاربرد دارد. چنانچه بخواهیم در بارهای ...  ادامه مطلب 
رله الکترومکانیکی
 ۱۹ آبان ۱۳۹۸
 گروه تحقیق و توسعه تالی الکتریک

رله الکترومکانیکی

رله الکترومکانیکی  یک سوئیچ مکانیکی می باشد که تحت کنترل سایر مدارات الکترونیکی باز و بسته می شود در اصل رله توسط یک آهنربای مغناطیسی برای باز و بسته کردن یک یا چند اتصال عمل می کند و چون رله می تواند مدار خروجی پر قدرتی را نسبت به مدار ورودی کنترل کند می توان آنرا به عنوان نوعی تقویت کننده در نظر گرفت . طرز کار رله الکترو مکانیکی : وقتی جریان از سیم پیچ عبور می کند میدان مغناطیسی حاصله یک میله فلزی را که به طور مکانیکی ...  ادامه مطلب 
مدار لامپ مهتابی
 ۱۲ آبان ۱۳۹۸
 گروه تحقیق و توسعه تالی الکتریک

مدار لامپ مهتابی

نقشه مدار مهتابی با بالاست مغناطیسی: چک مغناطیسی ، استارتر ، بالاست القایی ، بالاست مغناطیسی ، ترانس مهتابی ، اینها همه نامهایی است که در بازار برای بالاست های مغناطیسی استفاده می شود.                     در تصویر بالا مشاهده می کنید که سیم فاز وارد یکی از پایه های بالاست شده ( فرقی نمی کند، کدام پایه ) و از پایه دیگرِ بالاست خارج می شود و به یکی از پایه های مهتابی وصل می شود. نقشه مدار مهتابی با ...  ادامه مطلب