حفاظت دیفرانسیلی ژنراتور یا آلترناتور

حفاظت دیفرانسیلی ژنراتور یا آلترناتور
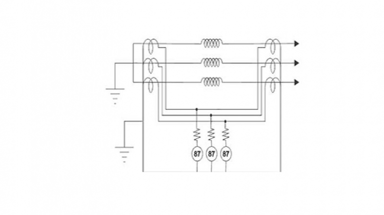
رله دیفرانسیلی طولی:
هرگونه خطای داخلی نزدیک سیم پیچی استاتور، عمدتا توسط حفاظت دیفرانسیلی ژنراتور یا آلترناتور، پاکسازی می شود. حفاظت دیفرانسیلی ژنراتور با استفاده از رله دیفرانسیل طولی صورت می گیرد.
در حالت کلی ، رله های مدل آرمیچر جذبی برای این اهداف استفاده می شوند، زیرا این رله ها دارای سرعت عمل بالایی بوده و همچنین تحت تاثیر حالت گذرای AC مدارات برقی،  قرار نمی گیرند.

در این طرح از دو ترانسفورماتور جریان (CT)، که یک CT به خط سمت ژنراتور و CT دیگر در سمت نول ژنراتور در هر فاز متصل می شوند، استفاده می شود. مشخصات همه ترانسفورماتورهای جریان ( CT) که در فاز مخالف نصب می شوند، باید باهم مطابقت داشته باشند. اگر مشخصات ترانسفورماتورهای جریان در هر دو طرف ژنراتور مطابقت نداشته باشند، رله دیفرانسیلی هنگام بروز خطای خارجی در سیم پیچی استاتور در شرایط کارکرد عادی ژنراتور ، ممکن است درست عمل نکند.


مقاومت سری:
برای اطمینان از اینکه رله برای خطاهای خارج از ناحیه کار حفاظتی کار نکند ، یک مقاومت ثابت به صورت سری با رله سیم پیچ اصلی نصب می شود. با این کار اگر یکی از  CT ها اشباع شود، رله دیفرانسیلی عملکرد نامناسبی نخواهد داشت.
                                       

این کار همیشه بهتر از استفاده از ترانسفورماتور جریان اختصاصی برای حفاظت دیفرانسیلی می باشد، زیرا CT مشترک ممکن است باعث بارگذاری ثانویه نامتعادل شود. همچنین بهتر است همه ترانسفورماتورهای جریان (CT) استفاده شده برای حفاطت دیفرانسیلی ژنراتورها یا آلترناتورها ، مشخصات مشابه داشته باشند. اما عملا ممکن است تفاوت زیادی در مشخصات ترانسفورماتورهای جریان نصب شده در سمت خط نسبت به CTهای نصب شده در سمت نول ژنراتور وجود داشته باشد. این عدم تطابق، سبب نشت جریان درسیم پیچ رله درحال کار می شود. برای جلوگیری از تاثیر نشت جریان ، در رله های دیفرانسیلی درصد بایاس تعریف شده است.

                                  

درصد بایاس:
درصد بایاس رله دیفرانسیلی شامل دو سیم پیچ بازدارنده و یک سیم پیچ اصلی در هر فاز می باشد. در رله، گشتاور تولید شده به وسیله سیم پیچ اصلی ، تمایل دارد کنتاکت های رله  را هنگام تریپ های آنی کلیدها ببندد ،  اما در همین زمان گشتاور تولید شده توسط سیم پیچ بازدارنده از بسته شدن کنتاکت های رله جلوگیری می کند، گشتاور سیم پیچ های بازدارنده مستقیما در مقابل گشتاور سیم پیچ اصلی قرار می گیرد. در طول خطا ، رله دیفرانسیلی نباید کار کند زیرا تنظیم  رله توسط سیم پیچ های بازدارنده افزایش می یابد، همچنین از عملکرد نامناسب رله با توجه به جریان نشتی جلوگیری می کند. اما هنگام خطای داخل سیم پیچ استاتور، گشتاور تولید شده توسط سیم پیچ بازدارنده بی اثر می شود و رله زمانی که جریان ست شده از سیم پیچ اصلی می گذرد ، کنتاکتش را می بندد.
تنظیم بایاس جریان دیفرانسیلی رله بر اساس حداکثر درصد مجاز حاشیه امنیت انتخاب می شود.سطح جریان نشتی برای رله برای راه اندازی آن به عنوان درصدی از جریان خطای مربوطه می باشد. این درصد به عنوان ستینگ بایاس رله تعریف می شود.
                                                   
لطفا دیدگاهتان را در فرم زیر درج نمایید.
کد امنیتی نمایش داده شده در تصویر بالا را وارد فرمایید.
مطالب بیشتر در این زمینه
خازن الکترولیتی چیست؟
 ۲۰ آذر ۱۳۹۸
 گروه تحقیق و توسعه تالی الکتریک

خازن الکترولیتی چیست؟

خازن الکترولیتی نوعی خازن است که از یک الکترولیت برای رسیدن به یک ظرفیت بزرگتر نسبت به سایر انواع خازن استفاده می کند. الکترولیت یک مایع یا ژل حاوی دارای غلظت بالا یون است. تقریبا تمام خازن های الکترولیتی قطبی هستند، بدین معنا که ولتاژ در ترمینال مثبت همیشه باید از ولتاژ ترمینال منفی بیشتر باشد. مزایای خازن ...  ادامه مطلب 
حلقه زمین ( Ground loop )
 ۲۸ آذر ۱۳۹۷
 گروه تحقیق و توسعه تالی الکتریک

حلقه زمین ( Ground loop )

حلقه های زمین (Ground loops) یکی از علل اصلی ایجاد نویز و تداخل در سیستم های صوتی، تصویری و کامپیوتری هستند. در یک سیستم الکتریکی حلقه زمین (Ground loop) زمانی که دو نقطه از مدار که به زمین مرجع وصل شده اند و دارای اختلاف پتانسیل باشند، رخ می دهد. این امر باعث ایجاد جریان ناخواسته در مدار می گردد. برای مثال در مدارات سیگنال ...  ادامه مطلب 
ولتاژ گام ( step voltage ) چیست؟
 ۱۴ آذر ۱۳۹۷
 گروه تحقیق و توسعه تالی الکتریک

ولتاژ گام ( step voltage ) چیست؟

 ولتاژ گام (Step voltage) ، ولتاژ بین پای یک فرد ایستاده در نزدیکی یک جسم پر انرژی در زمین است. ولتاژ گام برابر با اختلاف ولتاژ، با توجه به منحنی توزیع ولتاژ، بین دو نقطه در فاصله های مختلف از "الکترود" می باشد. در مهندسی برق، زمانی که یک جریان بزرگ به زمین از طریق امپدانس شبکه زمین متصل می شود، افزایش ...  ادامه مطلب 
رله دیستانس چیست؟
 ۰۷ آبان ۱۳۹۷
 گروه تحقیق و توسعه تالی الکتریک

رله دیستانس چیست؟

رله دیستانس(رله مقاومت سنج): رله دیستانس یک رله حفاظتی است که زمان قطع آن تابع مقاومت طول سیم می باشد. در بیشتر اوقات زمان قطع رله باید تابع محل اتصال کوتاه نسبت به رله باشد ، و از این رو این زمان باید تابع جهت معینی از انرژی اتصال کوتاه باشد. به طوری که می دانیم هرچه محل اتصال کوتاه از رله دور تر باشد ، مقاومت ...  ادامه مطلب 
آموزش دستگاه تست رله
 ۰۲ آبان ۱۳۹۷
 گروه تحقیق و توسعه تالی الکتریک

آموزش دستگاه تست رله

دستگاه تست رله مدل PW636i دارای 4 خروجی ولتاژی 300 ولت و 6 خروجی جریانی 32 آمپری بوده و توانایی تست تمام رله های حفاظتی از جمله رله های مدرن را دارد . این دستگاه ایده آل برای تمام کاربردهای برق قدرت ، نیروگاه ها ، تولیدکنندگان رله ، تولیدکنندگان تابلو برق ، موسسات تحقیقاتی ، شرکت های تست می باشد. در این مقاله قصد داریم ...  ادامه مطلب